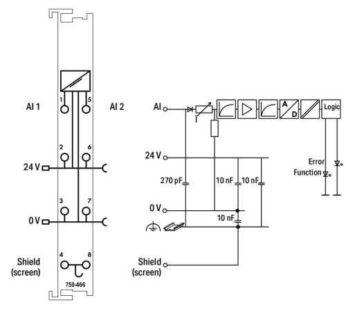
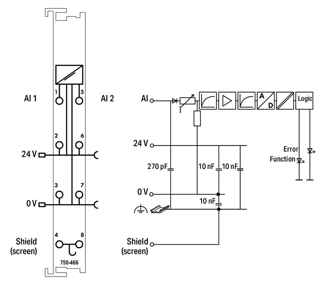
Каталог товаров
Наши новости
Барьеры MTL и полные аналоги BIS серии H
Результаты тестирования, таблица замен, сравнение характеристик барьеров MTL на барьеры BIS серии H
Блог
Что такое PACTware?
PACTware является производителем и независимым от полевых шин операционным программным обеспечением для всех полевых устройств и протоколов.







